Anbieter von Schrauben für Leitplanken mit Rundkopf und ovalem Ausschnitt
Technische Daten
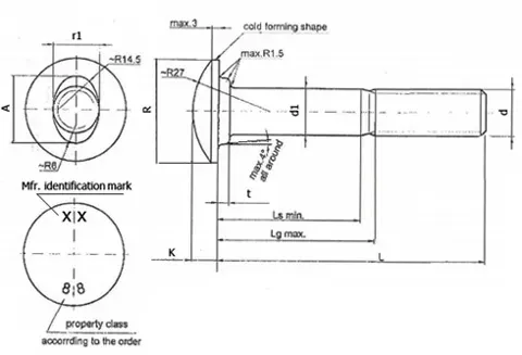
Schrauben für Leitplanken mit Rundkopf und ovalem Ausschnitt
Dieses Produkt unterliegt den folgenden Normen:
Daten
Schrauben für Leitplanken mit Rundkopf und ovalem Ausschnitt
|
|
|||||||||
|
Dimensions in mm |
|||||||||
| d | L | d1 | Ls min |
Lg max
|
k | t |
R
|
r1 | A |
| M16-8g | 25 ± 1 | Ø 16 +0-0.43 | - | 8 | 9 ± 0.5 |
4 ± 0.2 |
Ø 35 +1-0 | 16.5 +0-0.5 | 23 ± 0.5 |
| M16-8g | 30 ± 1 | Ø 16 +0-0.43 | - | 8 | 9 ± 0.5 | 4 ± 0.2 | Ø 35 +1-0 | 16.5 +0-0.5 | 23 ± 0.5 |
| M16-8g | 35 ± 1 | Ø 16 +0-0.43 | - | 8 | 9 ± 0.5 | 4 ± 0.2 | Ø 35 +1-0 | 16.5 +0-0.5 | 23 ± 0.5 |
| M16-8g | 40 ± 1 | Ø 16 +0-0.43 | - | 8 | 9 ± 0.5 | 4 ± 0.2 | Ø 35 +1-0 | 16.5 +0-0.5 | 23 ± 0.5 |
| M16-8g | 45 ± 1 | Ø 16 +0-0.43 | - | 8 | 9 ± 0.5 | 4 ± 0.2 | Ø 35 +1-0 | 16.5 +0-0.5 | 23 ± 0.5 |
| M16-8g | 48 ± 1 | Ø 16 +0-0.43 | - | 8 | 9 ± 0.5 | 4 ± 0.2 | Ø 35 +1-0 | 16.5 +0-0.5 | 23 ± 0.5 |
| M16-8g | 50 ± 1 | Ø 16 +0-0.43 | - | 8 | 9 ± 0.5 | 4 ± 0.2 | Ø 35 +1-0 | 16.5 +0-0.5 | 23 ± 0.5 |
| M16-8g | 55 ± 1 | Ø 16 +0-0.43 | - | 8 | 9 ± 0.5 | 4 ± 0.2 | Ø 35 +1-0 | 16.5 +0-0.5 | 23 ± 0.5 |
| M16-8g | 60 ± 1 | Ø 16 +0-0.43 | - | 8 | 9 ± 0.5 | 4 ± 0.2 | Ø 35 +1-0 | 16.5 +0-0.5 | 23 ± 0.5 |
| M16-8g | 65 ± 1 | Ø 16 +0-0.43 | - | 8 | 9 ± 0.5 | 4 ± 0.2 | Ø 35 +1-0 | 16.5 +0-0.5 | 23 ± 0.5 |
| M16-8g | 80 ± 1 | Ø 16 +0-0.43 | - | 8 | 9 ± 0.5 | 4 ± 0.2 | Ø 35 +1-0 | 16.5 +0-0.5 | 23 ± 0.5 |
| M16-8g | 90 ± 1 | Ø 16 +0-0.43 | - | 8 | 9 ± 0.5 | 4 ± 0.2 | Ø 35 +1-0 | 16.5 +0-0.5 | 23 ± 0.5 |
| M16-8g | 100 ± 1 | Ø 16 +0-0.43 | 30 | 40 | 9 ± 0.5 | 4 ± 0.2 | Ø 35 +1-0 | 16.5 +0-0.5 | 23 ± 0.5 |
| M16-8g | 115 ± 1 | Ø 16 +0-0.43 | 45 | 55 | 9 ± 0.5 | 4 ± 0.2 | Ø 35 +1-0 | 16.5 +0-0.5 | 23 ± 0.5 |
| M16-8g | 125 ± 1 | Ø 16 +0-0.43 | 55 | 65 | 9 ± 0.5 | 4 ± 0.2 | Ø 35 +1-0 | 16.5 +0-0.5 | 23 ± 0.5 |
| M16-8g | 130 ± 1 | Ø 16 +0-0.43 | 60 | 70 | 9 ± 0.5 | 4 ± 0.2 | Ø 35 +1-0 | 16.5 +0-0.5 | 23 ± 0.5 |
| M16-8g | 135 ± 1 | Ø 16 +0-0.43 | 65 | 75 | 9 ± 0.5 | 4 ± 0.2 | Ø 35 +1-0 | 16.5 +0-0.5 | 23 ± 0.5 |
| M16-8g | 140 ± 1 | Ø 16 +0-0.43 | 70 | 80 | 9 ± 0.5 | 4 ± 0.2 | Ø 35 +1-0 | 16.5 +0-0.5 | 23 ± 0.5 |
| M16-8g | 160 ± 1 | Ø 16 +0-0.43 | 90 | 100 | 9 ± 0.5 | 4 ± 0.2 | Ø 35 +1-0 | 16.5 +0-0.5 | 23 ± 0.5 |
| M16-8g | 200 ± 1 | Ø 16 +0-0.43 | 130 | 140 | 9 ± 0.5 | 4 ± 0.2 | Ø 35 +1-0 | 16.5 +0-0.5 | 23 ± 0.5 |
| M16-8g | 350 ± 1 | Ø 16 +0-0.43 | 280 | 290 | 9 ± 0.5 | 4 ± 0.2 | Ø 35 +1-0 | 16.5 +0-0.5 | 23 ± 0.5 |
| M16-8g | 450 ± 1 | Ø 16 +0-0.43 | 310 | 320 | 9 ± 0.5 | 4 ± 0.2 | Ø 35 +1-0 | 16.5 +0-0.5 | 23 ± 0.5 |
| M16-8g | 500 ± 1 | Ø 16 +0-0.43 | 390 | 400 | 9 ± 0.5 | 4 ± 0.2 | Ø 35 +1-0 | 16.5 +0-0.5 | 23 ± 0.5 |
Vollständige Liste der Lieferanten von Schrauben für Leitplanken mit Rundkopf und ovalem Ausschnitt
Hersteller und Verteiler von Verbindungselementen
Fixner ist auf den Export einer breiten Palette von Verbindungselementen, Werkzeugen und Industriebedarf spezialisiert.
Wir bieten eine breite Palette von Verbindungselementen nach Zeichnung und Verbindungselementen, die den Normen DIN, ISO, EN, NF, ANSI, ASME und ASTM entsprechen.
Hersteller von Verbindungselementen aus Warm- und Kaltumformung fÜr: Windkraft, Automotive, Gebäude- und Stahlbau, Tunnel- und BrÜckenbau
Seit 1980 sind wir Hersteller von Schrauben und Muttern und verfÜgen Über mehr als 50 Jahre Erfahrung in der Industrie der Verbindungselemente. Dank unserer Erfahrung, Qualität und unserem Service haben wir uns in der Branche einen Namen gemacht.
Spezialisiert in Schrauben und Muttern fÜr Schutzgeländer, Eisenbahn, Rohrleitungen, Lärmschutzwände; wir stellen Spezialschrauben, Schraubenbolzen und verschiedene Ankertypen nach Kundenzeichnung her. Wir bieten mehrere Arten an Wärme- und Korrosionsschutzbehandlungen an (hauptsächlich Feuerverzinkung). Unsere Priorität ist es, den Kunden mit Schnelligkeit und Qualität zu befriedigen.
CBH Capital Bolts and Hardware ist einer der grÖßten Hersteller, Lieferanten und Exporteure von Verbindungselementen in Indien.
Hersteller von Schrauben fÜr Leitplanken, fÜr den Stahlbau und die Bauindustrie
Hersteller spezialisiert auf Muttern und Schrauben in großen Abmessungen, Verbindungselemente fÜr Bahngleise und Bergbau
Hersteller von feuerverzinkten Verbindungselementen und HV-Verbindungselementen fÜr die Eisenindustrie
Hersteller von Schrauben mit Durchmessern bis M120 und Schrauben fÜr Leitplanken
Hersteller von feuerverzinkten und warmgepressten Verbindungselementen. Verbindungselemente fÜr die Bahnindustrie
Durchmesser : Von M-4 bis M-80
Länge: Von M10 bis M1000
Hersteller und Verteiler von Verbindugselementen fÜr die Öl- und Gasindustrie, Stangen, Schraubenbolzen, Steinschrauben, Schrauben fÜr Leitplanken, hochfeste Verbindungselemente
Verteiler von hochfesten Verbindungselemeten fÜr den Stahlbau und fÜr Leitplanken
Hersteller von Verbindungselementen fÜr Übertragungsleitungen, Stromsektor, Bahnindustrie, Absperrungen und Sonderschrauben
Hersteller von Verbindungselementen mit Vierkantansatz, feuerverzinkten Verbindungselementen, Vierkantschrauben und Verbindungselementen nach DIN EN 15048
Verteiler von Schrauben, Muttern, Bolzen
Hersteller und Exporteur spezialisiert auf Schrauben aus Kaltumformung und fÜr Leitplanken
Hersteller von Gewindestangen, U-BÜgeln, Verbindungselementen fÜr die Ölindustrie aus Kohlenstoffstahl, Stahllegierungen und Edelstahl
Hersteller von hochfesten Verbindungselementen, fÜr die Bau- und Automobilindustrie.
Abmessungen von M5 bis M52 und Längen bis zu 500mm
Verteiler von Verbindungselementen und Sonderteile fÜr die folgenden Bereiche: Stahl- und Freileitungsbau, Chemie, Maschinenbau, Berg&Tunnelbau. Lieferung von C-Teilen und MagnetverschlÜsse.
Hersteller von hochfesten Verbindungselementen, Schraubenverbindungen, Leitplankenschrauben und Befestigungen fÜr die Öl- und Gasindustrie
Hersteller von Schrauben und Schraubenbolzen von M5 bis M72 in Längen bis zu 1000mm. Muttern von M5 bis M120.
Hersteller von Verbindungselementen aus Warmumformung und Schraubenbolzen. Lieferant fÜr die Öl- und Gasindustrie
Durchmesser von M16 bis M72
Hersteller spezialisiert auf Sechskantmuttern, Sechskantschrauben, feuerverzinkte Verbindungselemente und fÜr Stahlbau. Jahresproduktion von Über 100.000 Tonnen