Suppliers of Guardrail screws round head with oval neck
Technical data
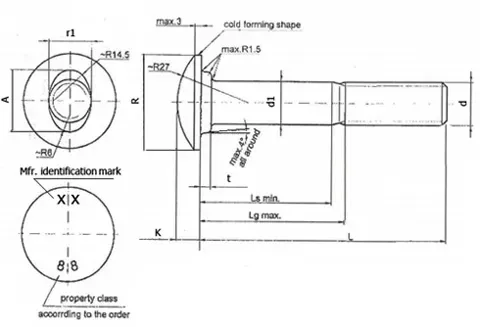
Guardrail screws round head with oval neck
This product is regulated by the following standards:
Details
Guardrail screws round head with oval neck
|
|
|||||||||
|
Dimensions in mm |
|||||||||
| d | L | d1 | Ls min |
Lg max
|
k | t |
R
|
r1 | A |
| M16-8g | 25 ± 1 | Ø 16 +0-0.43 | - | 8 | 9 ± 0.5 |
4 ± 0.2 |
Ø 35 +1-0 | 16.5 +0-0.5 | 23 ± 0.5 |
| M16-8g | 30 ± 1 | Ø 16 +0-0.43 | - | 8 | 9 ± 0.5 | 4 ± 0.2 | Ø 35 +1-0 | 16.5 +0-0.5 | 23 ± 0.5 |
| M16-8g | 35 ± 1 | Ø 16 +0-0.43 | - | 8 | 9 ± 0.5 | 4 ± 0.2 | Ø 35 +1-0 | 16.5 +0-0.5 | 23 ± 0.5 |
| M16-8g | 40 ± 1 | Ø 16 +0-0.43 | - | 8 | 9 ± 0.5 | 4 ± 0.2 | Ø 35 +1-0 | 16.5 +0-0.5 | 23 ± 0.5 |
| M16-8g | 45 ± 1 | Ø 16 +0-0.43 | - | 8 | 9 ± 0.5 | 4 ± 0.2 | Ø 35 +1-0 | 16.5 +0-0.5 | 23 ± 0.5 |
| M16-8g | 48 ± 1 | Ø 16 +0-0.43 | - | 8 | 9 ± 0.5 | 4 ± 0.2 | Ø 35 +1-0 | 16.5 +0-0.5 | 23 ± 0.5 |
| M16-8g | 50 ± 1 | Ø 16 +0-0.43 | - | 8 | 9 ± 0.5 | 4 ± 0.2 | Ø 35 +1-0 | 16.5 +0-0.5 | 23 ± 0.5 |
| M16-8g | 55 ± 1 | Ø 16 +0-0.43 | - | 8 | 9 ± 0.5 | 4 ± 0.2 | Ø 35 +1-0 | 16.5 +0-0.5 | 23 ± 0.5 |
| M16-8g | 60 ± 1 | Ø 16 +0-0.43 | - | 8 | 9 ± 0.5 | 4 ± 0.2 | Ø 35 +1-0 | 16.5 +0-0.5 | 23 ± 0.5 |
| M16-8g | 65 ± 1 | Ø 16 +0-0.43 | - | 8 | 9 ± 0.5 | 4 ± 0.2 | Ø 35 +1-0 | 16.5 +0-0.5 | 23 ± 0.5 |
| M16-8g | 80 ± 1 | Ø 16 +0-0.43 | - | 8 | 9 ± 0.5 | 4 ± 0.2 | Ø 35 +1-0 | 16.5 +0-0.5 | 23 ± 0.5 |
| M16-8g | 90 ± 1 | Ø 16 +0-0.43 | - | 8 | 9 ± 0.5 | 4 ± 0.2 | Ø 35 +1-0 | 16.5 +0-0.5 | 23 ± 0.5 |
| M16-8g | 100 ± 1 | Ø 16 +0-0.43 | 30 | 40 | 9 ± 0.5 | 4 ± 0.2 | Ø 35 +1-0 | 16.5 +0-0.5 | 23 ± 0.5 |
| M16-8g | 115 ± 1 | Ø 16 +0-0.43 | 45 | 55 | 9 ± 0.5 | 4 ± 0.2 | Ø 35 +1-0 | 16.5 +0-0.5 | 23 ± 0.5 |
| M16-8g | 125 ± 1 | Ø 16 +0-0.43 | 55 | 65 | 9 ± 0.5 | 4 ± 0.2 | Ø 35 +1-0 | 16.5 +0-0.5 | 23 ± 0.5 |
| M16-8g | 130 ± 1 | Ø 16 +0-0.43 | 60 | 70 | 9 ± 0.5 | 4 ± 0.2 | Ø 35 +1-0 | 16.5 +0-0.5 | 23 ± 0.5 |
| M16-8g | 135 ± 1 | Ø 16 +0-0.43 | 65 | 75 | 9 ± 0.5 | 4 ± 0.2 | Ø 35 +1-0 | 16.5 +0-0.5 | 23 ± 0.5 |
| M16-8g | 140 ± 1 | Ø 16 +0-0.43 | 70 | 80 | 9 ± 0.5 | 4 ± 0.2 | Ø 35 +1-0 | 16.5 +0-0.5 | 23 ± 0.5 |
| M16-8g | 160 ± 1 | Ø 16 +0-0.43 | 90 | 100 | 9 ± 0.5 | 4 ± 0.2 | Ø 35 +1-0 | 16.5 +0-0.5 | 23 ± 0.5 |
| M16-8g | 200 ± 1 | Ø 16 +0-0.43 | 130 | 140 | 9 ± 0.5 | 4 ± 0.2 | Ø 35 +1-0 | 16.5 +0-0.5 | 23 ± 0.5 |
| M16-8g | 350 ± 1 | Ø 16 +0-0.43 | 280 | 290 | 9 ± 0.5 | 4 ± 0.2 | Ø 35 +1-0 | 16.5 +0-0.5 | 23 ± 0.5 |
| M16-8g | 450 ± 1 | Ø 16 +0-0.43 | 310 | 320 | 9 ± 0.5 | 4 ± 0.2 | Ø 35 +1-0 | 16.5 +0-0.5 | 23 ± 0.5 |
| M16-8g | 500 ± 1 | Ø 16 +0-0.43 | 390 | 400 | 9 ± 0.5 | 4 ± 0.2 | Ø 35 +1-0 | 16.5 +0-0.5 | 23 ± 0.5 |
Full list of Suppliers of Guardrail screws round head with oval neck
Manufacturer and distributor of fasteners
Fixner is specialized in the export of a wide range of fasteners products, industrial supplies, and tools.
We offer a wide range of bespoke fasteners and screws and bolts according to DIN, ISO, EN, NF, ANSI, ASME and ASTM standards.
Manufacturer of cold and hot forged high-quality fastening systems for wind power industry, automotive industry, building and steel construction, tunnel and bridge construction
We are manufacturer of bolts and nuts since 1980, with over 50 years of experience in the fastener industry. Thanks to our experience, quality and service offered, we have made a mark on the field.
Specialized in nuts and bolts for guard rails, railways, piping and noise barriers, we manufacture customized screws, stud bolts and different types of anchor bolts according to the customer specifications. We offer several kinds of heat and anti corrosion treatments (mainly hot dip galvanizing). Our priority is to satisfy the customer with quickness and quality.
CBH Capital Bolts and Hardware is one of the largest fastener manufacturer, supplier and exporter in India.
Manufacturer of bolts for steel structures, guard rails and for the construction sector
Manufacturer specialized in large nuts and bolts and also hight strenght fastening elements for rail tracks and mining supports
Manufacturer of hot pip galvanized and high tensile fasteners for the steel industry
Manufacturer of high tensile bolts from M4 to M72, with lengths up to 500 mm
Manufacturer of standard and special fasteners, crash barrier bolts & cup head coach bolts from M4 to M80 dia, length M10 to M1000. Structures for transmission and telecommunication towers and substation.
Manufacturer and distributor of fasteners for oil sector, threaded rods, stud bolts, foundation bolts, road crash barrier fasteners, high strength fasteners.
Distributor high-tensile fasteners for constructions and guard rail fasteners
Manufacturer of fasteners for transmission lines, railway, electricals, road crash barriers and special fasteners
Manufacturer of carriage bolts, hot dip galvanized fasteners, square head bolts and fasteners following DIN EN 15048
Distributor of screws, nuts, washers
Manufacturer and exporter specialized in hot dip galvanized fasteners and for guard rail
Manufacturer of carbon steel, alloy steel & stainless steel grade fasteners, anchor bolts, stud bolts, U-bolts
Manufacturer of high tensile fasteners, fasteners for constructions and automotive fasteners.
Sizes from M5 to M52 and lengths up to 500mm
Distributor of fasteners and special parts for the following sectors: steel building, open line costruction, chemical industry, engineering, tunnel building. Supply of C-parts and magnetic locks.
Manufacturer of high strength fasteners, structural boltings,fasteners for road crash barriers and fori oil and gas sector.
Manufacturer of bolt and studs from M5 to M72 length up to 1000mm. Nuts from M5 up to M120.
Manufacturer of hot forged fasteners and studs. Supplier of the oil and gas sector.
Diameters from M16 to M72
Specialized manufacturer of steel hex nuts and bolts, HDG fasteners and for steel construction with an yearly production capacity of 110,000 M/T