Fornitori di Viti guardrail testa tonda con ovale sottotesta
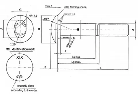
Dati tecnici
Viti guardrail testa tonda con ovale sottotesta
Questo prodotto è regolamentato dalle seguenti norme:
Dettagli
Viti guardrail testa tonda con ovale sottotesta
|
|
|||||||||
|
Dimensions in mm |
|||||||||
| d | L | d1 | Ls min |
Lg max
|
k | t |
R
|
r1 | A |
| M16-8g | 25 ± 1 | Ø 16 +0-0.43 | - | 8 | 9 ± 0.5 |
4 ± 0.2 |
Ø 35 +1-0 | 16.5 +0-0.5 | 23 ± 0.5 |
| M16-8g | 30 ± 1 | Ø 16 +0-0.43 | - | 8 | 9 ± 0.5 | 4 ± 0.2 | Ø 35 +1-0 | 16.5 +0-0.5 | 23 ± 0.5 |
| M16-8g | 35 ± 1 | Ø 16 +0-0.43 | - | 8 | 9 ± 0.5 | 4 ± 0.2 | Ø 35 +1-0 | 16.5 +0-0.5 | 23 ± 0.5 |
| M16-8g | 40 ± 1 | Ø 16 +0-0.43 | - | 8 | 9 ± 0.5 | 4 ± 0.2 | Ø 35 +1-0 | 16.5 +0-0.5 | 23 ± 0.5 |
| M16-8g | 45 ± 1 | Ø 16 +0-0.43 | - | 8 | 9 ± 0.5 | 4 ± 0.2 | Ø 35 +1-0 | 16.5 +0-0.5 | 23 ± 0.5 |
| M16-8g | 48 ± 1 | Ø 16 +0-0.43 | - | 8 | 9 ± 0.5 | 4 ± 0.2 | Ø 35 +1-0 | 16.5 +0-0.5 | 23 ± 0.5 |
| M16-8g | 50 ± 1 | Ø 16 +0-0.43 | - | 8 | 9 ± 0.5 | 4 ± 0.2 | Ø 35 +1-0 | 16.5 +0-0.5 | 23 ± 0.5 |
| M16-8g | 55 ± 1 | Ø 16 +0-0.43 | - | 8 | 9 ± 0.5 | 4 ± 0.2 | Ø 35 +1-0 | 16.5 +0-0.5 | 23 ± 0.5 |
| M16-8g | 60 ± 1 | Ø 16 +0-0.43 | - | 8 | 9 ± 0.5 | 4 ± 0.2 | Ø 35 +1-0 | 16.5 +0-0.5 | 23 ± 0.5 |
| M16-8g | 65 ± 1 | Ø 16 +0-0.43 | - | 8 | 9 ± 0.5 | 4 ± 0.2 | Ø 35 +1-0 | 16.5 +0-0.5 | 23 ± 0.5 |
| M16-8g | 80 ± 1 | Ø 16 +0-0.43 | - | 8 | 9 ± 0.5 | 4 ± 0.2 | Ø 35 +1-0 | 16.5 +0-0.5 | 23 ± 0.5 |
| M16-8g | 90 ± 1 | Ø 16 +0-0.43 | - | 8 | 9 ± 0.5 | 4 ± 0.2 | Ø 35 +1-0 | 16.5 +0-0.5 | 23 ± 0.5 |
| M16-8g | 100 ± 1 | Ø 16 +0-0.43 | 30 | 40 | 9 ± 0.5 | 4 ± 0.2 | Ø 35 +1-0 | 16.5 +0-0.5 | 23 ± 0.5 |
| M16-8g | 115 ± 1 | Ø 16 +0-0.43 | 45 | 55 | 9 ± 0.5 | 4 ± 0.2 | Ø 35 +1-0 | 16.5 +0-0.5 | 23 ± 0.5 |
| M16-8g | 125 ± 1 | Ø 16 +0-0.43 | 55 | 65 | 9 ± 0.5 | 4 ± 0.2 | Ø 35 +1-0 | 16.5 +0-0.5 | 23 ± 0.5 |
| M16-8g | 130 ± 1 | Ø 16 +0-0.43 | 60 | 70 | 9 ± 0.5 | 4 ± 0.2 | Ø 35 +1-0 | 16.5 +0-0.5 | 23 ± 0.5 |
| M16-8g | 135 ± 1 | Ø 16 +0-0.43 | 65 | 75 | 9 ± 0.5 | 4 ± 0.2 | Ø 35 +1-0 | 16.5 +0-0.5 | 23 ± 0.5 |
| M16-8g | 140 ± 1 | Ø 16 +0-0.43 | 70 | 80 | 9 ± 0.5 | 4 ± 0.2 | Ø 35 +1-0 | 16.5 +0-0.5 | 23 ± 0.5 |
| M16-8g | 160 ± 1 | Ø 16 +0-0.43 | 90 | 100 | 9 ± 0.5 | 4 ± 0.2 | Ø 35 +1-0 | 16.5 +0-0.5 | 23 ± 0.5 |
| M16-8g | 200 ± 1 | Ø 16 +0-0.43 | 130 | 140 | 9 ± 0.5 | 4 ± 0.2 | Ø 35 +1-0 | 16.5 +0-0.5 | 23 ± 0.5 |
| M16-8g | 350 ± 1 | Ø 16 +0-0.43 | 280 | 290 | 9 ± 0.5 | 4 ± 0.2 | Ø 35 +1-0 | 16.5 +0-0.5 | 23 ± 0.5 |
| M16-8g | 450 ± 1 | Ø 16 +0-0.43 | 310 | 320 | 9 ± 0.5 | 4 ± 0.2 | Ø 35 +1-0 | 16.5 +0-0.5 | 23 ± 0.5 |
| M16-8g | 500 ± 1 | Ø 16 +0-0.43 | 390 | 400 | 9 ± 0.5 | 4 ± 0.2 | Ø 35 +1-0 | 16.5 +0-0.5 | 23 ± 0.5 |
Elenco completo dei fornitori di Viti guardrail testa tonda con ovale sottotesta
Fixner è un’azienda specializzata nell''esportazione di un''ampia gamma di viteria, utensili e forniture industriali.
Offriamo un''ampia gamma di elementi di fissaggio a disegno e di viteria conforme agli standard DIN, ISO, EN, NF, ANSI, ASME, ASTM
Produttore di viteria stampata a freddo e a caldo di sistemi di fissaggio ad alta qualità per settore eolico, industria automobilistica, edilizia e costruzioni in acciaio, tunnel e ponti
Siamo produttori di bulloneria e dadi dal 1980, vantando oltre 50 anni di esperienza nel settore fastener. Grazie alla nostra esperienza, alla qualità e al servizio offerto, abbiamo lasciato un segno nel settore.
Specializzati nella bulloneria e viteria per barriere stradali, ferrovie, condotte, barriere anti-rumore; realizziamo viti su misura, tiranti, ancoraggi di vario tipo direttamente su disegno del cliente. Offriamo diversi tipi di trattamenti termici e superficiali anticorrosivi (primariamente zincatura a caldo). Soddisfare il cliente con velocità e qualità è la nostra priorità.
CBH Capital Bolts and Hardware è uno dei maggiori produttori, fornitori ed esportatori di fastener in India.
Produttore di bulloni per costruzioni, guard rail e strutture in acciaio
Produttore specializzato in dadi e bulloni di grosse dimensioni, elementi di fissaggio per binari e supporti per miniere
Produttore di viteria zincata a caldo e viteria ad alta resistenza per l''industria dell''acciaio
Produttore di bulloneria ad alta resistenza da M4 a M72, con lunghezze fino a 500mm
Produttore di viteria zincata a caldo e in alta resistenza, viteria per il settore ferroviario
Diametri: da M4 a M80
Lunghezze: da M10 a M1000
Produttore e distributore di viteria per il settore petrolifero, barre, tiranti, bulloni per fondazioni, bulloni per guard rail, viteria ad alta resistenza.
Distributore di viteria ad alta resistenza per costruzioni metalliche a viteria per guard rail.
Produttore di elementi di fissaggio per linee di trasmissione, settore elettrico, ferroviario, barriere stradali e bulloneria speciale.
Produttore di viteria con quadro sottotesta, zincata a caldo, viti a testa quadra e fastener a norma DIN EN 15048
Distributore di viti, dadi, bulloni
Produttore e distributore specializzato in bulloni zincati a caldo e per guard rail
Produttore di tiranti, barre filettate, tiranti a U, viteria settore petrolifero
Produttore di viteria ad alta resistenza, per costruzioni e per settore automotive.
Misure da M5 a M52 e lunghezze fino a 500mm
Distributore di bulloneria e parti speciali per i seguenti settori: chimico, meccanico, costruzioni in acciaio e all''aperto, costruzione di gallerie. Distribuzione di minuteria e di chiusure magnetiche.
Produttore di bulloneria ad alta resistenza, per costruzioni, barriere metalliche e per settore petrolifero
Produttore di bulloni e tiranti da M5 a M72 con lunghezze fino a1000mm. Dadi da M5 a to M120.
Produttore di viteria stampata a caldo e tiranteria. Fornitore per il settore petrolifero
Diametri da M16 a M72
Produttore specializzato in dadi esagonali, viti a testa esagonale, bulloni zincati a caldo e per carpenteria con una capacità produttiva di oltre 100.000 tonnellate/anno